东莞市力高大同自动化设备有限公司
0769-22802588 18922995227


对于电容性负载与电感性负载都能稳定运行
电容,线圈等电子部件到各类电子设备的测试,可稳定驱动其他电源与放大器无法对应的被测物体。
对于电容性负载与电感性负载都能稳定运行
电容,线圈等电子部件到各类电子设备的测试,可稳定驱动其他电源与放大器无法对应的被测物体。
高速双极性电源
NEW 高速双极性电源
HSA42011对于电容性负载与电感性负载都能稳定运行
▲ HSA42012
从电容,线圈等电子部件到各类电子设备的测试,可稳定驱动其他电源与放大器无法对应的被测物体。
正面面板 / 背面面板
高速双极性电源
NEW 高速双极性电源
HSA42011不挑选负载的稳定输出
4象限动作
HSA42011的动作范围如下图所示,可4象限动作。输出电压的正负无关,电流可供给也可吸收。
无论是电容性负载还是电感性负载都能稳定输出
当交流电压被施加在电容或线圈时,电流会从负载端开始逆流。在这种情况下,一般的电源或放大器可能无法驱动负载。
HSA42011可4象限输出的特性,使得电压和电流方向相反的吸收模式成为了可能。因此,该产品既能驱动像压电元件的电容性负载,又能驱动像螺线管的电感性负载。
高速响应,DC~1MHz的宽频带
高速度且高转换速率生成了阶跃响应良好的瞬态和重复动作。HSA42011可输出直流和交流。因此可以稳定地输出正负对称的信号,或是重叠在直流上的交流信号。
低输出阻抗
由于受电源输出阻抗影响,电容性负载或电感性负载在上升时间上发生延迟。HSA42011的全频带保持了低输出阻抗,将连接负载时会产生的电压下降控制到了最小化,从而发挥了它的高速性。
可覆盖多样化用途,性能便利
增益设定
固定增益 ×1,×10,×20,×50
可变增益 x1-x3(可微调整)
可以组合方式,进行连续设定。
设定为增益 ×1时,电源将信号发生器设定的电压水平直接输出。
输出极性切换
通过正面面板按键[INVT] ,可以进行同相放大/反相放大的切换。
连接2台HSA42011并使用反相输出功能,输出电压可以增加到2倍。(BTL连接)
∗BTL : Balanced Transformer Less
输出DC失调调整
将输出DC失调电压调整为0伏特。
输出DC偏置设定
将DC偏置电压(可高达±75V)重叠在输出电压上(通过10转电位器设定)
保护功能
HSA42011配备针对异常现象的保护功能,可以应对超负荷,过电压,内部电源异常,内部温度异常,冷却风扇异常等。当异常被检测出来时,输出会关闭,超负荷指示LED或错误指示LED会点灯。若异常一直持续的话,除关闭电源以外将无法进行其他操作。
其他功能
● 外部控制输入/输出
● 输出电压监控器
● 输出ON/OFF控制
● 电源开机时设定
高速双极性电源
NEW 高速双极性电源
HSA42011
电容 MLCC
片式多层陶瓷电容(MLCC)在面向移动设备,车载设备以及产业设备的需求急速增长。此外,它的尺寸越来越小型并且容量越来越大。
MLCC的容量受频率和电压的影响,通常使用阻抗分析仪在对其进行频率扫频的同时,施加电压,来评估它的特性。
马达 超声波马达
通过与信号发生器的组合使用,可以调整频率,相位以及振幅来进行马达的驱动测试。
高速且宽频带的电压稳定输出,最符合马达驱动的测试条件。
最近,还开发了需要100kHz以上频率驱动的超声波马达。
● 应用领域
单反相机自动对焦,扫描电子显微镜,半导体制造设备,微型机械制造设备。
磁性材料 磁粉芯,铁氧体磁芯
对于磁性材料,不包含稀土元素的新材料也在被活跃的开发中。
其中,磁粉芯在1kHz以上高频带的磁性能优良。它的制造是,选用了形状柔韧度良好且生产率较高的粉末,将它加工成型的。磁粉芯也被积极地考虑应用在各种各样的部品中。
HSA42011被用于B-H曲线测量中,来评估磁性材料。
压电元件 压电驱动器,压电变压器
HSA42011在驱动压电元件时,它的低输出阻抗特性为大容量的压电元件也提供了良好的阶跃响应。
通过与阻抗特性分析仪的组合使用,还可以对实际驱动状态下的共振特性进行测试。
● 应用领域
超声波清洗器,注射器,小型扬声器,超声波诊断设备等等。
智能手机
验证由外部噪声引发的设备故障
像智能手机这样的移动设备有可能受到共模噪声或来自AC适配器的噪声影响,发生故障。
而设备故障的验证是通过将交流信号重叠在直流信号上进行的测试。
HSA42011可叠加高达1MHz的宽频带谐波噪声仿模拟信号。
■ 测试波形示例
通过将增益设定为x1, 可以将信号发生器产生的低电压输出。
介电电泳(DEP)
细胞分离,微生物与病毒的检测
介电电泳是在不均匀的电场中,由于粒子和周围介质而导致的粒子迁移现象。常常被应用在生物分子的测量中。
通常,在1MHz左右的高交流电压被施加的实例很常见。
组合使用了介电电泳和阻抗测量的细菌检测法也在积极地研究当中。
高速双极性电源
NEW 高速双极性电源
HSA42011
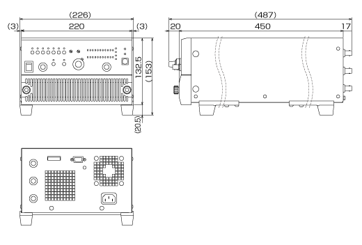
単位 : mm
高速双极性电源
NEW 高速双极性电源
HSA42011使用说明书 1
电源线组件 1
高速双极性电源
NEW 高速双极性电源
HSA42011
阻抗分析仪 ZA57630
支持外施高电压时的阻抗测量。
● 频率范围: 10 µHz to 36 MHz
● 基本精度: ±0.08%
● 阻抗范围: 10 µΩ to 100 GΩ
(模式: IMPD-EXT)